第二種電気工事士 過去問
令和7年度下期
問7 (一般問題 問7)
問題文
このページは閲覧用ページです。
履歴を残すには、 「新しく出題する(ここをクリック)」 をご利用ください。
問題
第二種電気工事士試験 令和7年度下期 問7(一般問題 問7) (訂正依頼・報告はこちら)
- 96
- 100
- 102
- 106
正解!素晴らしいです
残念...
MENU
あ
か
さ
た
な
は
ま
や
ら
あん摩マッサージ指圧師
1級管工事施工管理技士
1級建築施工管理技士
1級電気工事施工管理技士
1級土木施工管理技士
運行管理者(貨物)
2級ファイナンシャル・プランニング技能士(FP2級)
3級ファイナンシャル・プランニング技能士(FP3級)
貸金業務取扱主任者
危険物取扱者(乙4)
給水装置工事主任技術者
クレーン・デリック運転士
ケアマネジャー(介護支援専門員)
国内旅行業務取扱管理者
社会保険労務士(社労士)
大学入学共通テスト(国語)
大学入学共通テスト(地理歴史)
大学入学共通テスト(公民)
大学入学共通テスト(数学)
大学入学共通テスト(理科)
大学入学共通テスト(情報)
大学入学共通テスト(英語)
第三種電気主任技術者(電験三種)
宅地建物取引士(宅建士)
調剤報酬請求事務技能認定
賃貸不動産経営管理士
2級管工事施工管理技士
2級建築施工管理技士
2級電気工事施工管理技士
2級土木施工管理技士
JLPT(日本語能力)
建築物環境衛生管理技術者(ビル管理士)
問題文
このページは閲覧用ページです。
履歴を残すには、 「新しく出題する(ここをクリック)」 をご利用ください。
第二種電気工事士試験 令和7年度下期 問7(一般問題 問7) (訂正依頼・報告はこちら)
正解!素晴らしいです
残念...
この過去問の解説 (3件)
01
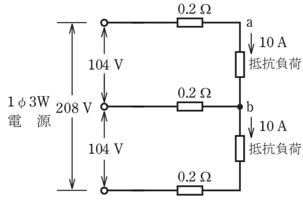
単相3線式に関する問題です。
問題文のような回路の場合、中心の線には電流が流れない点に注意しておきましょう。
抵抗負荷前後の電流値が共に10Aなので、この時点で中心の線には電流が流れていない事が分かります。
電圧はV=IRなので
10×0.2=2Vとなります。
a-b間には104Vの電圧がかかっているので、求めた電圧分を引いて
104-2=102Vとなります。
単相3線式は問題文を見て、全体的に電流値が変動しているかを確認してから解いていきましょう。
参考になった数54
この解説の修正を提案する
02
この問題は電圧降下に関する問題になります。
単相3線式の電圧降下を求める際に中性線(真中の線)に電流が
流れているかを確認することが重要になってきます。
あと電流の流れを設定しておく必要があります。
まず、中性線を中心にして上の100V回路、下の100V回路共に電流の流れを時計回りに設定します。
そうすると、中性線での電流の向きは上下で逆向きになり流れている電流は
共に10Aの為打ち消し0Aになります(中性線には電流が流れていない状態)。
a-b間での電圧降下に影響するのは上の0.2Ωだけになります。
0.2Ω×10A=2Vになりますので、電圧降下は2Vしたことになります。
元々の電圧は104Vであったためそこから電圧降下分の2Vを引くとa-b間の電圧が算出されます。
104V-2V=102V
したがって答えは102Vになります。
参考になった数29
この解説の修正を提案する
03
このような問題を解くときには、まず電流がどこにどのように流れているのかを整理することが重要です。
この問題の回路では、電流が中性点を介さずに1番上の電線から1番下の電線に流れていることがわかります。
なので、208Vの電圧が電線2本と0.2Ωの抵抗2個にかかっていると考えます。
まずは電線部にかかっている電圧を求めます。
電線1本あたりの抵抗は0.2Ωです。
オームの法則により、
0.2Ω × 10A =2V
電線1本あたりにかかる電圧は2Vになります。
今回考えている回路の電線は2本あるので、抵抗2個には208V-4V=204Vの電圧がかかっていることになります。
問題で必要になっているa-b間の電圧は、抵抗1個あたりにかかる電圧なので
204V÷2個=102Vになります。
正解です。
参考になった数1
この解説の修正を提案する
前の問題(問6)へ
令和7年度下期 問題一覧
次の問題(問8)へ